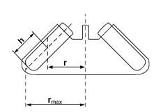
离心机转速换算公式(rpm与g) Post published:2014-07-30 Post category:生物资讯Post views:28265 次访问 https://www.liankebio.com/article-information_Tech-1478.html 作者:联科生物 发布日期:2014-07-30 09:00 rpm与g之间的换算公式为:RCF = 1.119 x 10-5 x (rpm)2 x r 其中r 表示离心机转轴中心与离心管中心的距离(如下图所示),单位为cm。由于离心管的位置由转子(rotor)决定,因此r 必须由查阅相关转子的参数而得。 RCF 与rpm 的换算也可以经由下表直接读出,方法是在右图标尺上取已知的r 半径值和在RCF 标尺上取已知相对离心力值,这两点间线的沿长线在rpm标尺的交点即为所要换算的值。反之亦然。 Read more articles Previous PosteBioscience免疫学基因组计划 Next Post重组Long R3 IGF-I,替代Insulin和IGF-I 你可能也喜欢 ELISA系列 | 变态反应相关因子 2021-09-22 联科生物产品通过丁香通研选啦! 2019-12-16 PeproTech造血干细胞研究挂图,欢迎免费索取 2016-08-02 免疫疗法抗癌再升级,消灭癌细胞更精准 2017-11-06 5月文献汇总 | 顶刊Signal Transduction and Targeted Therapy引用联科产品 2024-07-03 丙酸和丁酸可减弱CoCrMo合金颗粒诱导的巨噬细胞焦亡和破骨细胞形成(IF=34.915) 2022-10-25 特价试剂 — FCM/WB/细胞培养 6折特惠 2021-01-11 GentleMACS Dissociator全自动标本处理器 2010-03-02